サーボソリューションサイト
サイトマップ
製品案内
事例紹介
サポート
会社案内
お問い合わせ
トップページ
>
製品案内
>ボイスコイルモータについて
ボイスコイルモータ
ムービングコイルアクチュエータ
電動シリンダ/シャフトモータ
回転モータ
サーボドライバ/サーボアンプ
組込みネットワーク製品
サーキットブレーカー/電気ケトルコントロール/厚膜プリントヒータ
リモート接続ゲートウェイ製品
ボイスコイルモータについて
ボイスコイルモータ(VCM)とは?
名前からも容易に想像できますように、
ボイスコイルモータ(Voice Coil Motor : VCM)は
Nd-Fe-B磁石が作る強力な磁界の中をコイルのみが往復運動するタイプのモータで、ラウドスピーカと
まったく同じ原理で電気シグナルを機械運動に変換します。
ボイスコイルモータ(VCM)とは?
可動部が軽く、しかもダイレクトドライブであるため、一般のアクチュエータよりも高速で、かつ電気シグナルに合わせて運動することができます。
ボイスコイルモータは、アクチュエータとしてディスクドライブの磁気ヘッドに採用されて以来、ハードディスクやCD等のピックアップヘッドにも応用され、その高速でダイレクトに動作を実現する実力が、認識されてきました。
今日では、デジタルカメラ等の手ぶれ補正やレンズのオートフォーカス等、あらゆる用途に展開されてきております。
弊社では、その実力を、“より早く、より精密に”が求められている産業機械に応用すべく、ボイスコイルモータと制御ドライバ、コントローラをご紹介させて頂いております。
ボイスコイルモータ(VCM)の原理と構成
VCM は、良く知られているように、モータは磁石のエネルギー(磁場)を媒体として電気エネルギーを運動エネルギーに変換する機能を持ち、磁石の大半がこの用途に使用されています。
モータは、可動部の構造により、大きく次の2種類に区別されます。
1) 磁石が作る磁場の中でコイルのみが動くモータ (可動コイル[ムービングコイル]型)
2) ヨークとコイルが作る磁場の中で磁石が動くモータ(可動磁石型[ムービングマグネット]型)
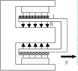
VCM は、磁場中の導体に電流を流した時、フレミング左手の法則により下図の向きに力が発生するという動作原理を利用したものです。
このとき、VCM が発生する力は、以下で与えられます。
F=B・I・L
F:力 (N)
B:磁束密度 (T)
I:電流 (A)
L:磁場中のコイル線材長さ(m)
強力な磁場の中を可動子だけが運動することから、VCM には従来のモータに無い以下のような特徴があります。
● ムービングコイルの場合、コイル及びそれを指示するボビンだけで構成されており軽量また、コギングが無く、推力リップルが小さいことにより、高精度でスムーズな制御が可能
● コイルインダクタンスが小さく、可動部が軽量であることから、電気的応答に優れ、高速な運動が可能
● 通電電流にほぼ比例した推力発生を実現(磁場等の影響に依る)し、精密な制御が可能
また、弊社からご提供可能なVCM としては、更に以下3 点のメリットが得られます。
● NEOMAX 磁石の採用により小型化、高出力化を実現
● モータ形状に自由度があり、さまざまな機構に組入・カスタマイズが可能
● ご使用になるVCM、またその制御方法にマッチしたドライバ、コントローラと組み合わせたソリューションのご提供が可能
構成例
図1のようなムービングコイルタイプの円筒形や図2の平面スクエアコイル式は、大推力に適しています。
平面フラットコイル式は全体の厚みを薄く出来ます。
ムービングコイル式としては、他にもスイング型等も設計可能です。
また配線の引き回しに優位なムービングマグネットタイプ等、推力やストロークを含めたご希望仕様に合わせて、あらゆる形状提案が可能です。
製品ページのリンク
円筒型ボイスコイルモータ(VCM)への
リンク
平面型ボイスコイルモータ(VCM)への
リンク
VCM用制御アンプ/ドライバ
VCMを可動させるには、制御用アンプ/ドライバが必要となります。
青山特殊鋼では、VCMと制御アンプをセットでご提供する事が可能となります。
・推力制御用サーボアンプ → Copley社 サーボドライバ(
Junus
)
・位置制御用サーボアンプ → Copley社 サーボドライバ(
Xenus
、
Accelnet
、
Accelus
)