サーボソリューションサイト
サイトマップ
製品案内
事例紹介
サポート
会社案内
お問い合わせ
トップページ
>
製品案内
>
サーボドライバ/サーボアンプ
>
デジタルドライバ
>
基板型ドライバ
>Integrated IPL (CANopen)
ボイスコイルモータ
ムービングコイルアクチュエータ
電動シリンダ/シャフトモータ
回転モータ
サーボドライバ/サーボアンプ
デジタルドライバ
ドライバシリーズ比較表
Xenus Plus
Xenus
Accelnet Plus
Accelnet
Stepnet Plus
Stepnet
Accelus
Junus
基板型ドライバ
NanoPlus NEP (EtherCAT)
NanoPlus NPP (CANopen)
Nano NES (EtherCAT)
Nano NPS (CANopen)
Integrated IEL (EtherCAT)
Integrated IPL (CANopen)
Integrated IES (EtherCAT)
ME3 (EtherCAT/3軸)
MP3 (CANopen/3軸)
ME4 (EtherCAT/4軸)
MP4 (CANopen/4軸)
VAREDAN
PWMアンプ
アナログアンプ
ハイパワーDCアンプ
アクセサリ
組込みネットワーク製品
サーキットブレーカー/電気ケトルコントロール/厚膜プリントヒータ
リモート接続ゲートウェイ製品
サーボドライバ/サーボアンプ
デジタルドライバ
基板型ドライバ
Integrated IPL (CANopen)
IPL-060-15
小型中空でCANopenに対応した DC電源入力の二層基板型1軸ドライバで、デュアルエンコーダ,ブレーキ,インデクサ機能も備えています。
(エンコーダはABZのほか、SSIとBiSSにも対応)
中空穴を配線に利用すれば、モータやロボット関節へコンパクトに内蔵可能です。
追加ボード不要で直接配線でき、通常のドライバ同様に簡単に使用できます。
(ただし、基板剥き出しに注意)
英文データシート(PDF)はこちら
AmpDS-IPL.pdf
ラインアップ
型番
電源電圧
連続電流
ピーク電流
IEL-060-15
DC 14〜60 V
7.5 A
15 A
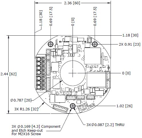
サイズ / 質量
62 (W) × 60 (D) × 25 (H) mm / 0.045 kg
[ 外径Φ64 × 内径Φ20 ]
概要
● モータやロボットに組込み易い、中空小型で安価な二層基板型1軸サーボドライバ
● DC電源の多機能ドライバで、多様なモータを多様な指令で駆動可能
● 専用ソフト(CME2)を使用し、PC上で直観的にモータ設定/調整が可能
● 調整や動作解析に便利なファンクションジェネレータ/オシロスコープ機能
● デュアルエンコーダ対応で、エンコーダはQuadABおよびSSI,BiSSに対応
● 簡単操作のオートフェージング/チューニング および マニュアルフェージング/チューニング機能
● インデクサによる動作シーケンスプログラム機能、PTP(Point-to-Point)、PVT(位置/速度/時間)
● 電子カム(カムテーブルでの同期動作)、電子ギア(指令パルス/動作比設定)に対応
● 通信プロトコル(CANopen / ASCII)での制御も可能