サポート
トップページ > サポート > よくある質問 > ボイスコイルモータ(VCM)製品FAQ > ボイスコイルモータ(VCM)とは?
よくある質問
Q2-q1 ボイスコイルモータ(VCM)とは?

VCM は ボイスコイルモータ(Voice Coil Motor)の略称であり、 Nd-Fe-B磁石が作る強力な磁界の中を
コイルのみが往復運動するタイプの単相モータです。
ラウドスピーカーとまったく同じ原理で電気シグナルを機械運動に変換します。

また、可動部が軽く、しかもダイレクトドライブであるため、一般のアクチュエータよりも高速で、かつ電気シグナルに合わせて運動することができます。

ボイスコイルモータ(VCM)の原理と構成

VCM は、磁石のエネルギー(磁場)を媒体として電気エネルギーを運動エネルギーに変換する機能を持ち、
磁石の大半がこの用途に使用されています。

VCM は、可動部の構造により、大きく次の2種類に区別されます。

1) 磁石が作る磁場の中でコイルのみが動くモータ(可動コイル [ムービングコイル] 型)
2) ヨークとコイルが作る磁場の中で磁石が動くモータ(可動磁石型 [ムービングマグネット] 型)

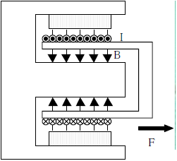
VCM は、磁場中の導体に電流を流した時、フレミング左手の法則により下図の向きに力が発生する動作原理を利用したものです。

このとき、VCM に発生する力は、以下で与えられます。

F=B・I・L
 F:力 (N)
 B:磁束密度 (T)
 I:電流 (A)
 L:磁場中のコイル線材長さ(m)

ボイスコイルモータ(VCM)の原理と構成
強力な磁場の中を可動子だけが運動することから、VCM には従来のモータに無い以下のような特徴が
あります。

● ムービングコイルの場合、可動子(コイル&ボビンで構成)が超軽量のため、ワークにダメージを与え難く、
 高加速動作が可能

● 単相コアレスのため、転流やコギングによる推力リップルが小さく、繊細でスムーズな制御が可能

● コイルインダクタンスが小さく可動部が軽量なため、動作応答性に優れ、高周波動作が可能
 (スピーカーと同じ原理)

● 通電電流に比例した推力が発生(磁場等の影響に依る)するため、精密荷重制御が可能

また、弊社でご提供可能なVCM には、更に以下3 点のメリットがあります。

 ● NEOMAX 磁石の採用により小型化、高出力化を実現

 ● モータ形状に自由度があり、さまざまな機構に組込み・カスタマイズが可能

 ● ご使用になるVCM、またその制御方法にマッチしたドライバ、コントローラと組み合わせた
 ソリューションのご提供が可能

構成例

図1のようなムービングコイルタイプの円筒形や図2の平面スクエアコイル式は、大推力に適しています。


構成例
平面フラットコイル式は全体の厚みを薄く出来ます。 ムービングコイル式としては、他にスイング型等も
設計可能です。
また、配線の引き回しに優位なムービングマグネットタイプなど、推力やストロークを含めたご要望に合わせて、多様な形状提案が可能です。

製品へのリンク

円筒型ボイスコイルモータ(VCM)へのリンク
平面型ボイスコイルモータ(VCM)へのリンク

VCM制御におすすめのアンプへのリンク
戻る
このページの先頭へ