
| 型番 | ストローク | 電圧 | 方式 / コイル数 (極数) | 分解能 |
|---|---|---|---|---|
| CBR100-050-75 | 50 mm | 48 V | リニア : 3相リニア / 6コイル 回転 : ブラシレス / 12極 | リニア : 5 μm 回転 : 20,000 CPR |
| CBR100-100-75 | 100 mm | |||
| CBR100-150-75 | 150 mm |
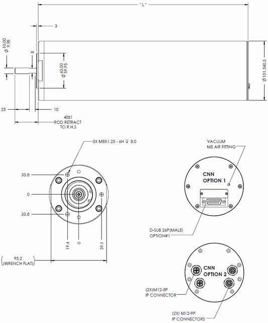
| 型式 | CBR100-050 | CBR100-100 | CBR100-150 |
|---|---|---|---|
| 駆動電圧 | 48 V | ||
| リニアストローク | 50 mm | 100 mm | 150 mm |
| 本体寸法 (ロッド除く) | φ101.5×360 mm | φ101.5×400 mm | φ101.5×450 mm |
| 全体質量 | 7.2 kg | 8.5 kg | 9 kg |
| 可動質量 | 1.6 kg | 1.7 kg | 1.8 kg |
| リニアピーク推力 / 電流 | 85 N / 3.8 A | ||
| リニア推力定数 | 22 N/A | ||
| 回転ピークトルク / 電流 | 3.9 Nm / 4.8 A | ||
| リニアエンコーダ仕様 | Quad ABZ(差動), 分解能: 5 μm (オプション: 1 μm) | ||
| 回転エンコーダ仕様 | Quad ABZ(差動), 分解能: 20,000 CPR (カウント/回転) | ||
| ケーブル/端子仕様 | 標準: ピッグテール (ケーブル長:0.5m, 端子:HD26オスに統合) オプション: IP67 M12 (信号線:9P+電力線:5P ×2) | ||
